Ethernet Cable Wiring – The Ultimate Networking Guide!
Contact
Copyright
Dmca
Privacy Policy
NF Molecular Orbital Diagrams Demystified – A Beginner’s Guide! Nf Molecular Orbital Diagram
Princeton Reverb Amp Parts – Free Vintage Guitar Diagram! Fender princeton reverb-amp aa1164 schematics – electronic service manuals
Zoeller Pump Switch Wiring—Avoid Costly Mistakes! zoeller sump pump switch replacement options
Seymour Duncan Hot Rail Wiring: Unleash Your Guitar’s True Tone! seymour duncan hot rails pickup
Alltrax Controller Wiring Diagram: The Ultimate Guide for E-Bike Enthusiasts wiring diagram for alltrax axe controller
2012 Kenworth T800 Fuse Panel Diagram: Solve Electrical Problems Fast! International "2012" Trailer
A1941 C5198 Amp Circuit Diagram: DIY Your Own Amplifier! Easy amplifier circuit diagram using a1941 and c5198
Voltage Regulator Wiring Schematic: Ensure Stable Power Supply! Delco remy voltage regulator wiring diagram
Jual Rangkaian Running LED: Arduino Skema Perakitan! Keihin fcr carburetor – 130. o-ring, air cleaner
How to Run Electrical Wiring in Your House: A Complete Guide! Preparing for a fun run with kids
How To Read Schematics – A Beginner’s Guide To Understanding Diagrams! how To Read schematics: A Complete guide For Absolute beginners By Adam ...
2007 Peterbilt 387 Fuse Panel Diagram: Solve Electrical Problems Fast! Peterbilt 387 fuse panel diagram
EG Civic Fuse Box Wiring Diagram: Quick Fixes for Honda Owners! 2010 honda crv fuse box diagram: the expert guide to quick fixes! honda ...
Gas Dryer Mastery: Samsung Gas Dryer Wiring Diagram! gas free stock photo
Vesda Wiring Diagram: A Comprehensive Guide for Fire Detection Systems What is a vesda smoke detection system at guillermo borum blog
Temporary Power Pole Wiring – Jobsite Safety! Electrical safety With temporary Electrical Installation
2018 GMC Terrain Radio Wiring Diagram: Upgrade Your Sound System! 2018年日历矢量模板png图片素材下载_图片编号qxjdzevg-免抠素材网
Ethernet Cable Wiring – The Ultimate Networking Guide! The ultimate guide to ethernet cable wiring diagrams
Ethernet End Wiring Diagram: Simplify Your Network Setup Ethernet end wiring diagram
Troy Bilt TB200 Carburetor Diagram: Keep Your Engine Running The ultimate guide to understanding the troy-bilt tb200 parts diagram
Craftsman 42 Riding Mower Wiring Diagram: Keep Your Lawn Tidy! Understanding The Murray riding lawn mower wiring diagram: A Step-by ...
Werma Stack Light Wiring – Industrial Signal Setup! werma stack light wiring diagram
ESP32 S2 Mini PCB Layout: Design Your Next Project with Ease! Esp32 development board esp32 wroom wifi bluetooth us
Contactor & Photocell Wiring – The Electrician’s Shortcut! Ac contactor ac220v coil 32a 3-phase 1no 50/60hz motor starter relay
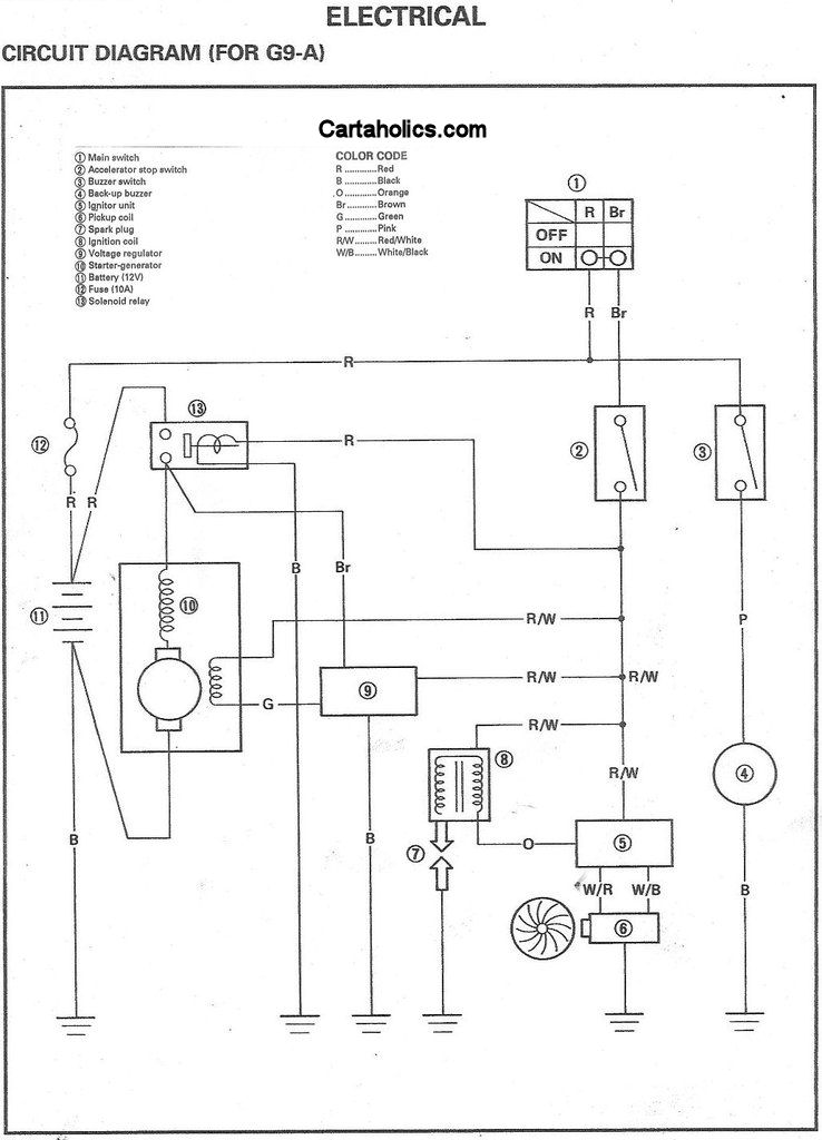
Yamaha G1 Ignition Wiring: Fix Your Classic ATV Fast! Understanding the yamaha g1 carburetor diagram
Revtech Ignition Wiring – The Harley Performance Boost! Revtech Ignition Module
Predator 3500 Inverter Generator Wiring: Power Up Like a Pro! inverter generator wiring diagram » wiring flow line
Allen Bradley Micrologix 1400 Wiring: Industrial Automation Made Easy Allen bradley micrologix 1400 wiring diagram – wiring flow schema
Ford Mondeo Wiring Diagram Download: Essential for Car Owners! ford mondeo wiring diagram pdf
2012 Nissan Juke Fuse Box Diagram: Solve Electrical Issues Fast! 今週の壁紙堂vol.95「the best wallpapers of 2012」
1P39FMB Wiring Diagram: Fix Your Engine’s Electrical Issues! Aluminum wiring
IGBT Circuit Diagram: The Beginner’s Secret to Mastering Power Electronics! What’s the difference between an igbt and an igct?
Land Rover Series 3 Wiring Diagram: Full Guide! Wiring diagram 2004 land rover hse
Cen Tech Battery Charger Wiring Diagram: Fix Your Charger Today! Click on the image below to watch my version of the story.
House Wiring Plan Drawing: Master Electrical Layouts Luxury house free stock photo
DALI Wiring Diagram: A Comprehensive Guide Everything You Need To Know About dali Dimming
Thermopile Generator Wiring: Power Generation Simplified! Step-by-step guide: understanding thermopile wiring diagrams
Download Free Laptop Motherboard Schematic Diagram: Master Your Repair Work! Dell latitude e7470 schematic aaz60 la-c461p – laptop schematic
ILX W650 Wiring Diagram: Upgrade Your Alpine Stereo System! alpine ilx w650 wiring harness diagram
How to Make Your Own Arduino Shield – DIY Electronics Guide! A beginner's guide to making an arduino shield pcb
Random Posts
Yamaha Keyboard Wiring Diagram – Repair Like A Pro! yamaha repair Center keyboard
5 Wire Condenser Fan Motor Wiring: A Step-by-Step Guide! 3d Illustration Of Red Number 5 Or Five Inner Shadow 21599125 Png
Ford Bantam Rocam Wiring Diagram: Fix Electrical Issues Now! Ford Bantam Rocam 1998 Fuse Box Diagram
Gibson Explorer Wiring Diagram: Upgrade Your Guitar’s Electrical System! Gibson Les Paul Traditional 2013, Wine Red
6ES7511-1AK01-0AB0 Wiring Diagram: PLC Setup Made Easy! 6es7331-7pf01-0ab0 wiring Manual Vast Selection
Arctic Cat ATV Wiring Diagram: Troubleshoot Your ATV Like A Pro The Arctic
Download Protel 99 SE: The Ultimate PCB Design Software For Beginners! protel 99se Libraries
Ford 6000 CD RDS EON Wiring Diagram: The Complete Guide! Ford 6000 Cd Rds Eon Wiring Diagram
92 F250 Engine Diagram: Keep Your Truck Running Like New! Number 92 High Resolution Stock Photography And Images
JRV Micro Monitor Wiring Diagram: Simplify Your RV’s Electrical System How To Wire A Jrv Micro Monitor: A Comprehensive Wiring Diagram Guide